极速交货
30天极速交货



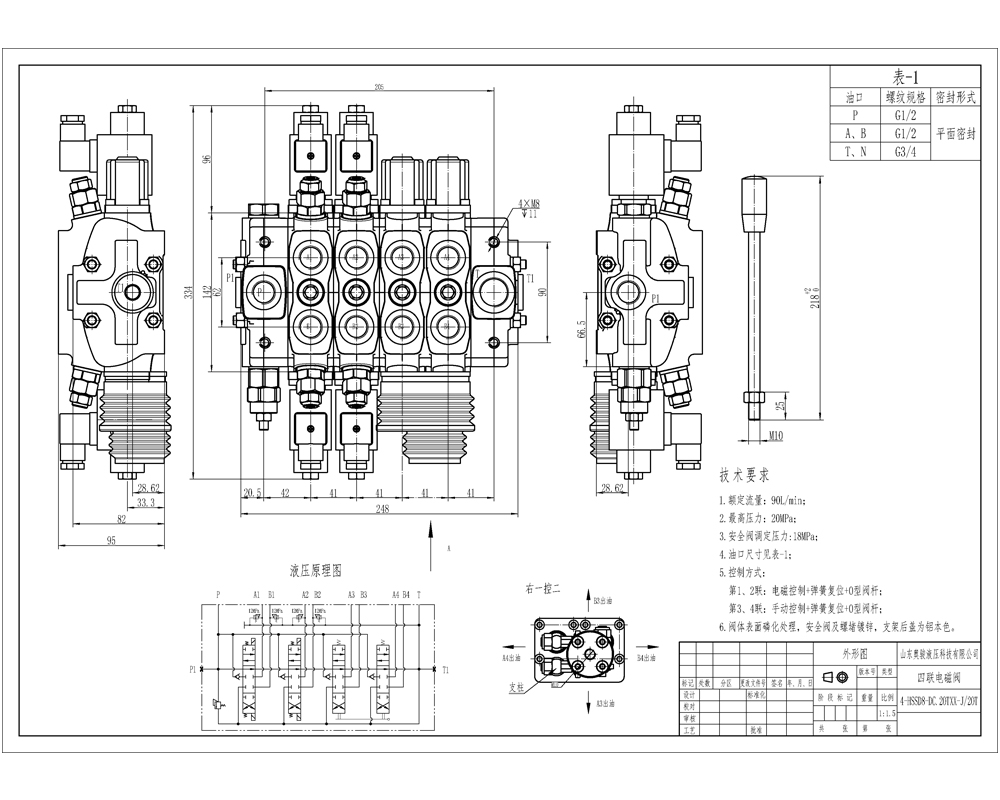
SD8 电磁与操纵杆 4 阀芯片式方向控制阀是一款高性能液压阀,专为各行业中的严苛应用而设计。该阀额定流量为 90 升/分钟,最大压力为 350 巴,工作粘度范围为 12 - 400 毫米²/秒,提供卓越的流量控制和压力调节能力。
| SD8系列 分块式方向阀 Parameters | |
|---|---|
| 路数 | 1路, 2路, 3路, 4路, 5路, 6路, 7路, 8路, 9路, 10路 |
| 控制方式 | 手控, 气控, 电气控, 电液控, 电磁, 液控, 液压和手动, 软轴, 一控二手柄控制, 电磁+一控二, 手控+一控二 |
| 接口尺寸 | G1/2接口, SAE 10接头 |
| 联数 | 1联, 2联, 3联, 4联, 5联, 6联, 7联, 8联, 9联, 10联 |
| 环境温度范围 | -40°C to +80°C (-40°F to +176°F) |
| 工作粘度范围 | 12 - 400 mm²/s (12 cSt to 400 cSt) |
| 出油口 | G1/2接口, G3/4接口, SAE 10接头, 3/4 NPT螺纹 |
| 最大压力 | 250 bar (3600 psi), 350 bar (5100 psi) |
| 额定流量 | 90 L/min (23.8 US gpm) |
| 结构类型 | 分片阀 |
| 进油口 | G1/2接口, G3/4接口, SAE 10接头 |
**产品特点与优势:**
* 电磁和操纵杆控制,实现精确响应操作
* 3 片式设计,实现多功能流量控制
* 片式阀结构,易于维护和定制
* 高流量和高压力容量,适用于严苛应用
* 广泛的粘度范围兼容性
**应用领域:**
* 物料搬运设备
* 建筑和土方机械
* 农业车辆
* 工业车辆
* 高空作业平台
* 起重机
* 挖掘机
* 滑移装载机
* 轮式装载机



