极速交货
30天极速交货



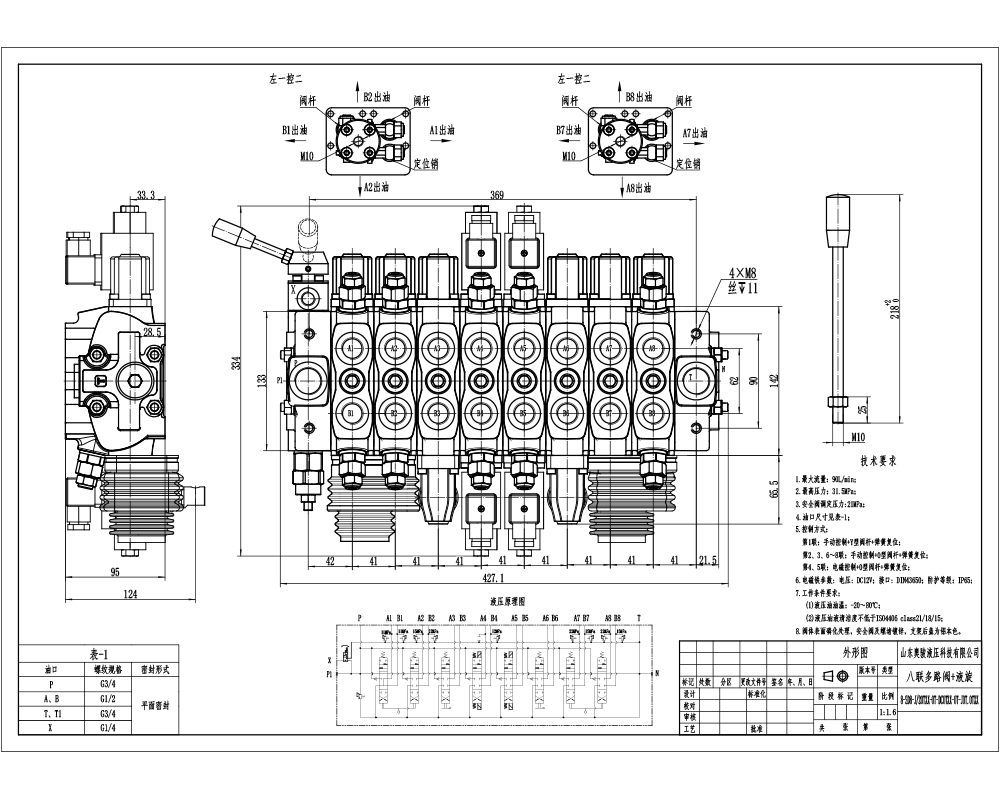
这款坚固耐用的手动8联多路方向阀专为建筑、农业、物料搬运和工业车辆等严苛应用而设计。它提供高流量和压力能力,为各种液压系统提供可靠且多功能的方向控制。
| SD8系列 分块式方向阀 Parameters | |
|---|---|
| 路数 | 1路, 2路, 3路, 4路, 5路, 6路, 7路, 8路, 9路, 10路 |
| 控制方式 | 手控, 气控, 电气控, 电液控, 电磁, 液控, 液压和手动, 软轴, 一控二手柄控制, 电磁+一控二, 手控+一控二 |
| 接口尺寸 | G1/2接口, SAE 10接头 |
| 联数 | 1联, 2联, 3联, 4联, 5联, 6联, 7联, 8联, 9联, 10联 |
| 环境温度范围 | -40°C to +80°C (-40°F to +176°F) |
| 工作粘度范围 | 12 - 400 mm²/s (12 cSt to 400 cSt) |
| 出油口 | G1/2接口, G3/4接口, SAE 10接头, 3/4 NPT螺纹 |
| 最大压力 | 250 bar (3600 psi), 350 bar (5100 psi) |
| 额定流量 | 90 L/min (23.8 US gpm) |
| 结构类型 | 分片阀 |
| 进油口 | G1/2接口, G3/4接口, SAE 10接头 |
这款手动8联多路方向阀是一款重型液压元件,专为严苛应用而设计。凭借其8段配置,它为多种液压功能提供精确和多功能的方向控制。该阀的额定流量为90升/分钟,最大压力为350巴,确保在高需求环境下的高效运行。该阀特别适用于各种类型的建筑、农业、物料搬运和工业车辆,包括伸缩臂叉车、叉车、迷你挖掘机、滑移装载机、轮式装载机、反铲挖土机、拖拉机、收割机、打包机和喷雾机。其坚固的结构、高流量和压力能力使其成为管理需要同时控制多种功能的液压系统的理想选择。



