极速交货
30天极速交货



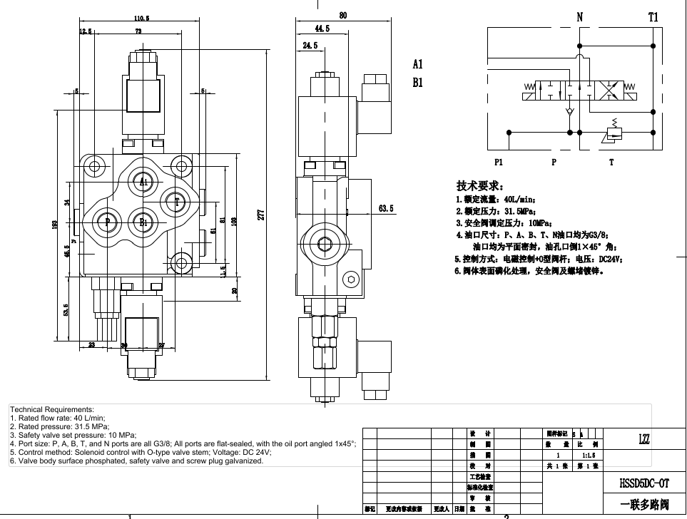
SD5 电磁1联整体式方向控制阀是一款单段电磁操作阀,额定流量为40升/分钟 (10.5 美制加仑/分钟),最大压力为305巴 (4400 磅/平方英寸)。它适用于物料搬运、建筑、农业和工业车辆等广泛应用,例如伸缩臂叉车、叉车、起重机、堆高车和高空作业平台。
| SD5系列 单块式方向阀 Parameters | |
|---|---|
| 控制方式 | 手控, 气控, 电气控, 电液控, 电磁, 液控, 液压和手动, 软轴, 一控二手柄控制 |
| 路数 | 1路, 2路, 3路, 4路, 5路, 6路 |
| 额定流量 | 40 L/min (10.5 US gpm) |
| 最大压力 | 305 bar (4400 psi) |
| 进油口 | G3/8接口, G1/2接口, M18×1.5螺纹, M20×1.5螺纹, SAE 6接头, SAE 8接头, G1-1/2接口 |
| 出油口 | G3/8接口, G1/2接口, M18×1.5螺纹, M20×1.5螺纹, SAE 6接头, SAE 8接头 |
| 接口尺寸 | G3/8接口, G1/2接口, M18×1.5螺纹, M20×1.5螺纹, SAE 6接头, SAE 8接头 |
| 联数 | 1联, 2联, 3联, 4联, 5联, 6联, 7联 |
| 结构类型 | 整体阀 |
| 环境温度范围 | -40°C to +60°C (-40°F to +140°F) |
| 工作粘度范围 | 15 - 75 mm²/s (15 cSt to 75 cSt) |
**产品特点和优势:**
* 紧凑轻巧的设计
* 高流量能力
* 低压降
* 卓越的密封性能
* 超长使用寿命
**应用:**
* 物料搬运设备
* 建筑机械
* 农业机械
* 工业车辆



