极速交货
30天极速交货



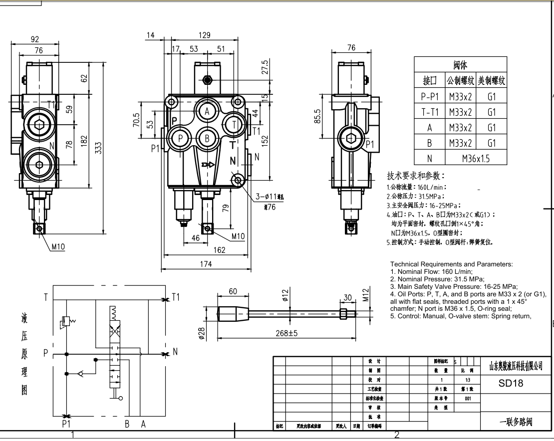
SD18手动1联整体式方向控制阀是一款紧凑可靠的阀门,适用于各种液压应用。其额定流量为120升/分钟,最大压力为315巴,适用于对流量和压力要求适中的系统。
| SD18系列 单块式方向阀 Parameters | |
|---|---|
| 控制方式 | 手控, 气控, 电气控, 电液控, 液控, 液压和手动, 软轴, 一控二手柄控制 |
| 路数 | 1路, 2路, 3路, 4路 |
| 额定流量 | 160 L/min (42.2 US gpm) |
| 最大压力 | 305 bar (4400 psi) |
| 进油口 | G1/2接口, G1接口, SAE 16接头 |
| 出油口 | G1接口, SAE 16接头 |
| 接口尺寸 | G1接口, SAE 16接头 |
| 联数 | 1联, 2联, 3联, 4联 |
| 结构类型 | 整体阀 |
| 环境温度范围 | -40°C to +80°C (-40°F to +176°F) |
| 工作粘度范围 | 12 - 400 mm²/s (12 cSt to 400 cSt) |
**产品特点和优势:**
* 紧凑轻巧的设计
* 手动控制,操作精确灵敏
* 整体式结构,经久耐用,可靠性高
* 额定流量120升/分钟,确保系统高效运行
* 最大压力315巴,适用于严苛应用
* 工作粘度范围12 - 400 mm²/s,兼容多种液压油
* 环境温度范围-40°C至+80°C,适用于恶劣环境
* 1联阀,功能多样,易于控制
**应用领域:**
SD18手动1联整体式方向控制阀适用于多种液压应用,包括:
* 物料搬运设备
* 建筑和土方机械
* 农业机械
* 工业车辆



