极速交货
30天极速交货



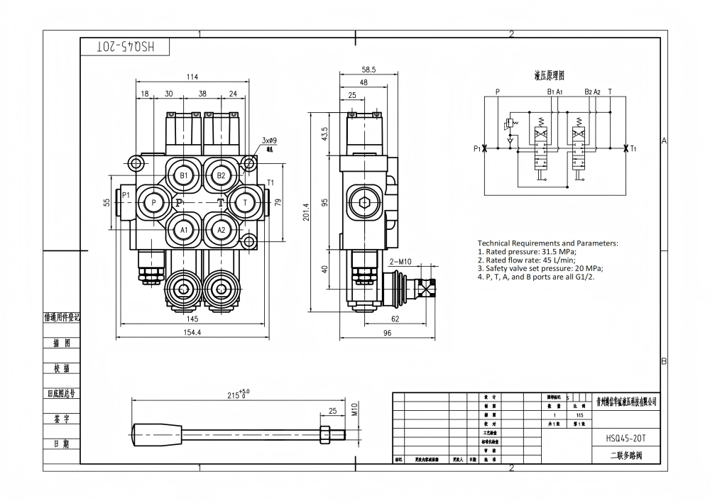
Q45手动2联整体式方向控制阀是一款高性能液压阀,专为需要精确控制流体流量的广泛应用而设计。该阀具有45升/分钟(11.8美加仑/分钟)的额定流量和315巴(4600磅/平方英寸)的最大压力,提供了卓越的流量能力和耐用性。其紧凑的整体式设计为要求苛刻的液压系统提供了节省空间的解决方案。
| Q45系列 单块式方向阀 Parameters | |
|---|---|
| 控制方式 | 手控, 气控, 电气控, 电液控, 电磁, 一控二手柄控制 |
| 路数 | 1路, 2路, 3路, 4路, 5路, 6路, 7路 |
| 额定流量 | 45 L/min (11.8 US gpm) |
| 最大压力 | 315 bar (4600 psi) |
| 进油口 | G1/2接口 |
| 出油口 | G1/2接口 |
| 接口尺寸 | G1/2接口 |
| 联数 | 1联, 2联, 3联, 4联, 5联, 6联, 7联 |
| 结构类型 | 整体阀 |
**产品特点和优势:**
* 手动控制,实现精确流量调节
* 2联设计,实现多功能流量控制
* 整体式结构,设计紧凑坚固
* 45升/分钟(11.8美加仑/分钟)的高流量能力
* 最大压力315巴(4600磅/平方英寸)
* 耐用结构,使用寿命长
**应用领域:**
该阀非常适合用于各种液压应用,包括:
* 物料搬运设备(叉车、起重机、堆垛机)
* 建筑机械(挖掘机、装载机、平地机)
* 农业机械(拖拉机、收割机、打包机)
* 工业车辆(扫地机、压实机、垃圾处理车)



