极速交货
30天极速交货



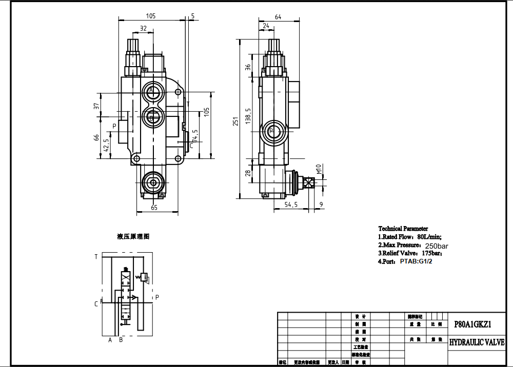
P80-G12 手动单联整体式方向控制阀是一款高性能液压阀,专为各种行走机械应用而设计。该阀额定流量为80升/分钟,最大压力为250巴,能够应对要求严苛的液压系统。其整体式结构提供了紧凑耐用的解决方案,而手动控制则实现了精确和灵敏的操作。
| P80系列 单块式方向阀 Parameters | |
|---|---|
| 路数 | 1路, 2路, 3路, 4路, 5路, 6路, 7路 |
| 控制方式 | 手控, 气控, 电气控, 电液控, 电磁, 液控, 液压和手动, 软轴, 一控二手柄控制 |
| 接口尺寸 | G1/2接口, G3/4接口, M22×1.5螺纹, M27×2.0螺纹, SAE 10接头, 1/2 NPT螺纹, 3/4 NPT螺纹 |
| 联数 | 1联, 2联, 3联, 4联, 5联, 6联, 7联 |
| 环境温度范围 | -40°C to +80°C (-40°F to +176°F) |
| 工作粘度范围 | 15 - 75 mm²/s (15 cSt to 75 cSt) |
| 最大压力 | 315 bar (4600 psi) |
| 额定流量 | 80 L/min (21.2 US gpm) |
| 结构类型 | 整体阀 |
| 进油口 | G1/2接口, G3/4接口, M27×2.0螺纹, SAE 10接头, SAE 12接头, 1/2 NPT螺纹, 3/4 NPT螺纹 |
**产品特点和优势:**
* 额定流量80升/分钟,适用于高流量应用
* 最大压力250巴,适用于要求严苛的液压系统
* 整体式结构,提供紧凑耐用的解决方案
* 手动控制,实现精确和灵敏的操作
* 适用工作粘度范围15 - 75 mm²/s,兼容多种液压油
* 环境温度范围-40°C至+80°C,适用于极端环境
**应用领域:**
P80-G12 手动单联整体式方向控制阀非常适用于各种行走机械应用,包括:
* 工程机械
* 农业机械
* 工业车辆
* 物料搬运设备
* 林业机械
* 矿山机械



