极速交货
30天极速交货



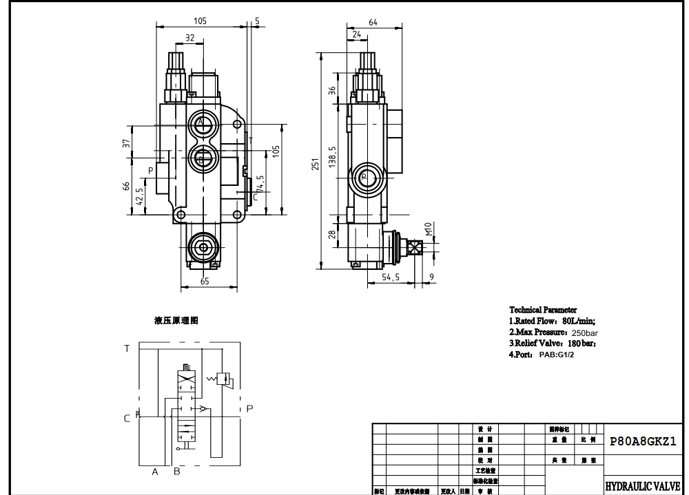
P80-G12-1OW 手动1联单片式方向控制阀是一款高性能液压阀,专为物料搬运、建筑、农业和工业车辆等行业的各种应用而设计。该阀具有80升/分钟的额定流量和250巴的最大压力,可确保液压系统高效可靠地控制。
| P80系列 单块式方向阀 Parameters | |
|---|---|
| 路数 | 1路, 2路, 3路, 4路, 5路, 6路, 7路 |
| 控制方式 | 手控, 气控, 电气控, 电液控, 电磁, 液控, 液压和手动, 软轴, 一控二手柄控制 |
| 接口尺寸 | G1/2接口, G3/4接口, M22×1.5螺纹, M27×2.0螺纹, SAE 10接头, 1/2 NPT螺纹, 3/4 NPT螺纹 |
| 联数 | 1联, 2联, 3联, 4联, 5联, 6联, 7联 |
| 环境温度范围 | -40°C to +80°C (-40°F to +176°F) |
| 工作粘度范围 | 15 - 75 mm²/s (15 cSt to 75 cSt) |
| 最大压力 | 315 bar (4600 psi) |
| 额定流量 | 80 L/min (21.2 US gpm) |
| 结构类型 | 整体阀 |
| 进油口 | G1/2接口, G3/4接口, M27×2.0螺纹, SAE 10接头, SAE 12接头, 1/2 NPT螺纹, 3/4 NPT螺纹 |
**产品特点和优势:**
* 精准灵敏的手动控制操作
* 单片式结构,尺寸紧凑,减少泄漏
* 1联设计,用途广泛,易于使用
* 80 升/分钟的高流量能力,实现高效系统性能
* 250 巴最大压力,经久耐用,可靠性高
* 15 - 75 毫米²/秒的工作粘度范围,兼容各种液压油
* -40°C 至 +80°C 的环境温度范围,可在极端条件下运行
**应用领域:**
P80-G12-1OW 手动1联单片式方向控制阀广泛应用于各种液压系统,包括:
* 物料搬运设备(叉车、伸缩臂叉装车、起重机)
* 工程机械(挖掘机、装载机、平地机)
* 农业机械(拖拉机、收割机、打包机)
* 工业车辆(扫地机、压实机、垃圾处理车)
**结论:**
P80-G12-1OW 手动1联单片式方向控制阀是各行业液压系统的重要组成部分。其坚固的结构、可靠的性能和多功能性使其成为需要精确高效控制液压流量的应用的绝佳选择。



