极速交货
30天极速交货



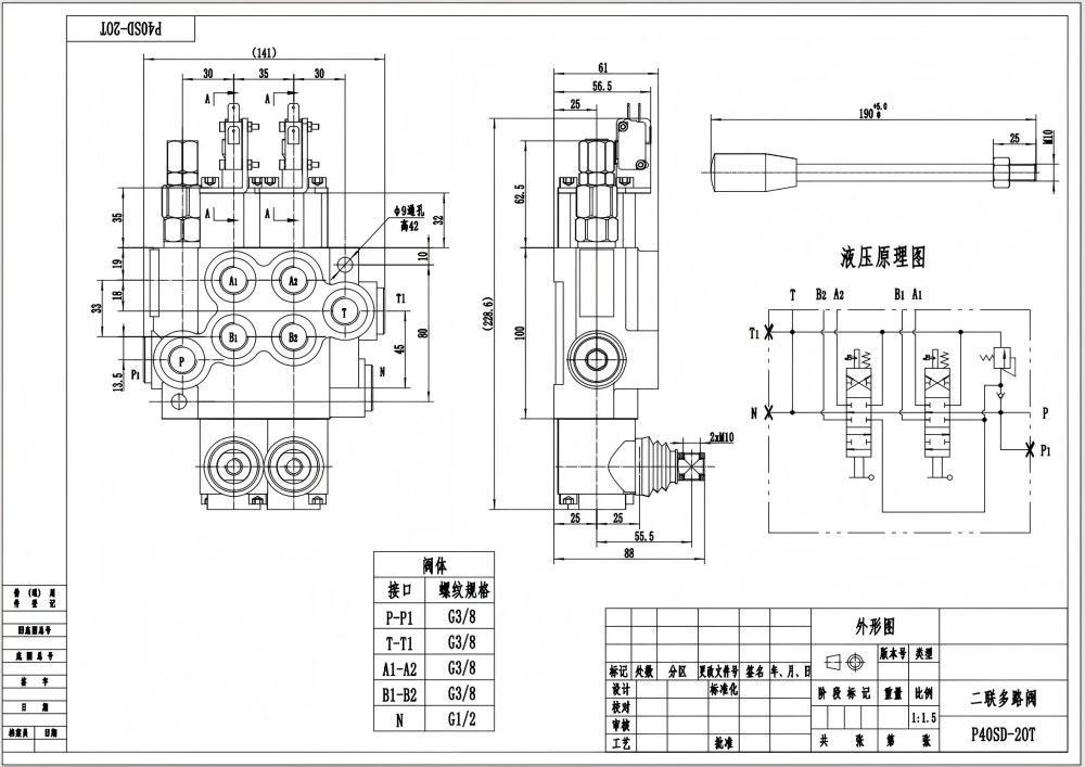
P40 微动开关手动2联整体式方向控制阀是一款紧凑型高性能阀,专为物料搬运、工程机械、农业和工业车辆的各种应用而设计。凭借其手动控制、2段设计和40 升/分钟的流量,该阀在液压系统中提供可靠高效的流量控制。
| P40系列 单块式方向阀 Parameters | |
|---|---|
| 控制方式 | 手控, 气控, 电气控, 电液控, 电磁, 液控, 液压和手动, 软轴, 一控二手柄控制, 手控+一控二 |
| 路数 | 1路, 2路, 3路, 4路, 5路, 6路, 7路 |
| 额定流量 | 40 L/min (10.5 US gpm) |
| 最大压力 | 250 bar (3600 psi) |
| 进油口 | G3/8接口, G1/2接口, M18×1.5螺纹, M22×1.5螺纹, SAE 8接头, SAE 10接头, 3/8 NPT螺纹, 1/2 NPT螺纹 |
| 出油口 | G3/8接口, G1/2接口, M18×1.5螺纹, M22×1.5螺纹, SAE 8接头, SAE 10接头, 3/8 NPT螺纹, 1/2 NPT螺纹 |
| 接口尺寸 | G3/8接口, G1/2接口, M18×1.5螺纹, SAE 8接头, SAE 10接头, 3/8 NPT螺纹, 1/2 NPT螺纹 |
| 联数 | 1联, 2联, 3联, 4联, 5联, 6联, 7联 |
| 结构类型 | 整体阀 |
| 环境温度范围 | -40°C to +80°C (-40°F to +176°F) |
| 工作粘度范围 | 15 - 75 mm²/s (15 cSt to 75 cSt) |
**产品特点与优势:**
* 手动控制,操作精确灵敏
* 2段设计,实现多功能流量控制
* 紧凑尺寸,易于在空间受限的应用中安装
* 40 升/分钟的高流量,确保系统高效运行
* 250 巴的最大压力,适用于严苛应用
* 宽泛的工作粘度范围,兼容多种液压油
* CE 认证,符合欧洲安全标准
**应用领域:**
P40 微动开关手动2联整体式方向控制阀适用于广泛的应用领域,包括:
* 物料搬运设备
* 工程和土方机械
* 农业车辆
* 工业车辆
* 林业设备



