极速交货
30天极速交货



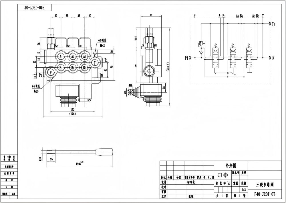
P40手动和操纵杆3联整体式多路换向阀是一款高性能液压阀,专为各行业严苛应用而设计。其额定流量为40升/分钟,最大压力为250巴,可提供可靠高效的流量控制。多功能的手动和操纵杆控制选项使其适用于不同场景下的精确操作。
| P40系列 单块式方向阀 Parameters | |
|---|---|
| 控制方式 | 手控, 气控, 电气控, 电液控, 电磁, 液控, 液压和手动, 软轴, 一控二手柄控制, 手控+一控二 |
| 路数 | 1路, 2路, 3路, 4路, 5路, 6路, 7路 |
| 额定流量 | 40 L/min (10.5 US gpm) |
| 最大压力 | 250 bar (3600 psi) |
| 进油口 | G3/8接口, G1/2接口, M18×1.5螺纹, M22×1.5螺纹, SAE 8接头, SAE 10接头, 3/8 NPT螺纹, 1/2 NPT螺纹 |
| 出油口 | G3/8接口, G1/2接口, M18×1.5螺纹, M22×1.5螺纹, SAE 8接头, SAE 10接头, 3/8 NPT螺纹, 1/2 NPT螺纹 |
| 接口尺寸 | G3/8接口, G1/2接口, M18×1.5螺纹, SAE 8接头, SAE 10接头, 3/8 NPT螺纹, 1/2 NPT螺纹 |
| 联数 | 1联, 2联, 3联, 4联, 5联, 6联, 7联 |
| 结构类型 | 整体阀 |
| 环境温度范围 | -40°C to +80°C (-40°F to +176°F) |
| 工作粘度范围 | 15 - 75 mm²/s (15 cSt to 75 cSt) |
**产品特点和优势:**
* 手动和操纵杆控制,实现精确多功能操作
* 3联阀设计,独立控制多个液压回路
* 整体式结构,尺寸紧凑,减少泄漏
* 额定流量40升/分钟,确保高效性能
* 最大压力250巴,适用于严苛应用
* 工作粘度范围15 - 75 毫米²/秒,兼容多种液压油
* 环境温度范围-40°C至+80°C,适用于各种环境
**应用领域:**
P40手动和操纵杆3联整体式多路换向阀广泛应用于各种行业,包括:
* 物料搬运设备(叉车、伸缩臂叉车、堆垛机)
* 工程机械(挖掘机、装载机、起重机)
* 农业机械(拖拉机、收割机、打包机)
* 工业车辆(扫地机、垃圾压实机、钩臂式装卸车)



