极速交货
30天极速交货



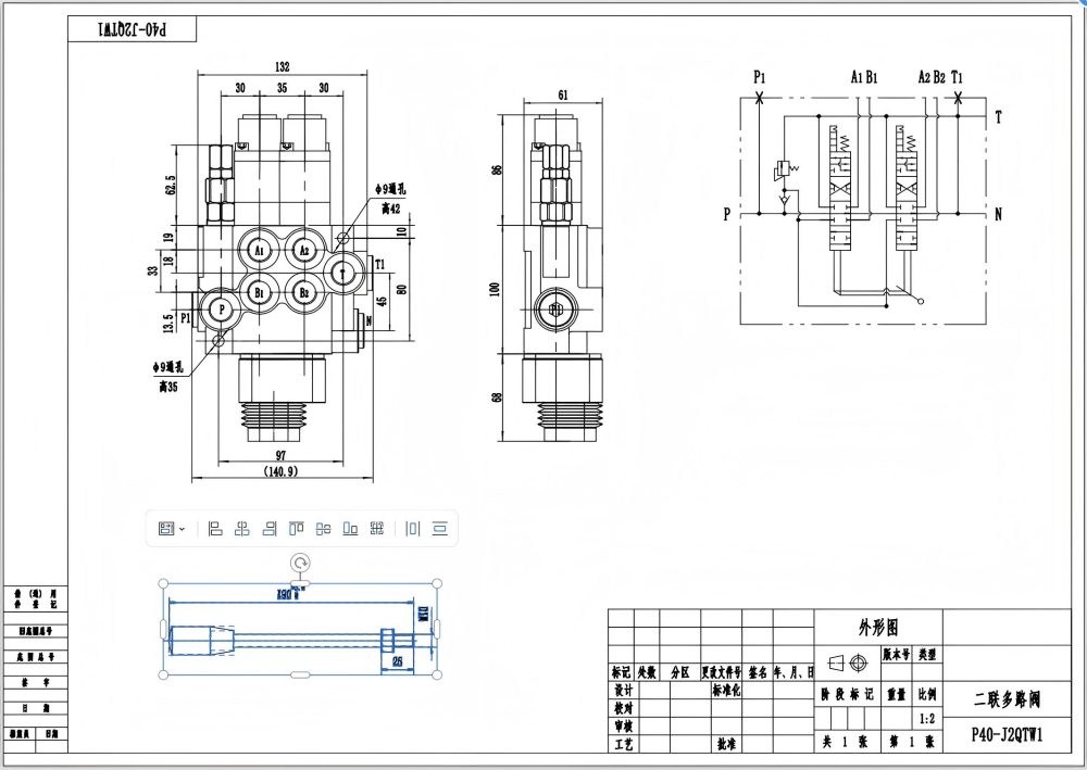
P40手动和摇杆2联整体式方向控制阀是一款专为严苛应用设计的高性能液压阀。其额定流量为40升/分钟,最大压力为250巴,可对流体流量和方向进行精确控制。紧凑的整体式设计确保了耐用性和可靠性,而手动和摇杆控制选项则提供了多功能性和易操作性。
| P40系列 单块式方向阀 Parameters | |
|---|---|
| 控制方式 | 手控, 气控, 电气控, 电液控, 电磁, 液控, 液压和手动, 软轴, 一控二手柄控制, 手控+一控二 |
| 路数 | 1路, 2路, 3路, 4路, 5路, 6路, 7路 |
| 额定流量 | 40 L/min (10.5 US gpm) |
| 最大压力 | 250 bar (3600 psi) |
| 进油口 | G3/8接口, G1/2接口, M18×1.5螺纹, M22×1.5螺纹, SAE 8接头, SAE 10接头, 3/8 NPT螺纹, 1/2 NPT螺纹 |
| 出油口 | G3/8接口, G1/2接口, M18×1.5螺纹, M22×1.5螺纹, SAE 8接头, SAE 10接头, 3/8 NPT螺纹, 1/2 NPT螺纹 |
| 接口尺寸 | G3/8接口, G1/2接口, M18×1.5螺纹, SAE 8接头, SAE 10接头, 3/8 NPT螺纹, 1/2 NPT螺纹 |
| 联数 | 1联, 2联, 3联, 4联, 5联, 6联, 7联 |
| 结构类型 | 整体阀 |
| 环境温度范围 | -40°C to +80°C (-40°F to +176°F) |
| 工作粘度范围 | 15 - 75 mm²/s (15 cSt to 75 cSt) |
**产品特点与优势:**
- 额定流量40升/分钟 (10.5美制加仑/分钟),实现高效流量控制
- 最大压力250巴 (3600磅/平方英寸),确保在高压系统中的可靠运行
- 手动和摇杆控制选项,提供灵活性和易操作性
- 整体式设计,提高耐用性并减少泄漏
- 工作粘度范围15 - 75 mm²/s (15 cSt至75 cSt),兼容多种流体
- 环境温度范围-40°C至+80°C (-40°F至+176°F),适用于极端温度条件
**应用领域:**
- 物料搬运设备
- 建筑和土方机械
- 农业机械
- 工业车辆



