极速交货
30天极速交货



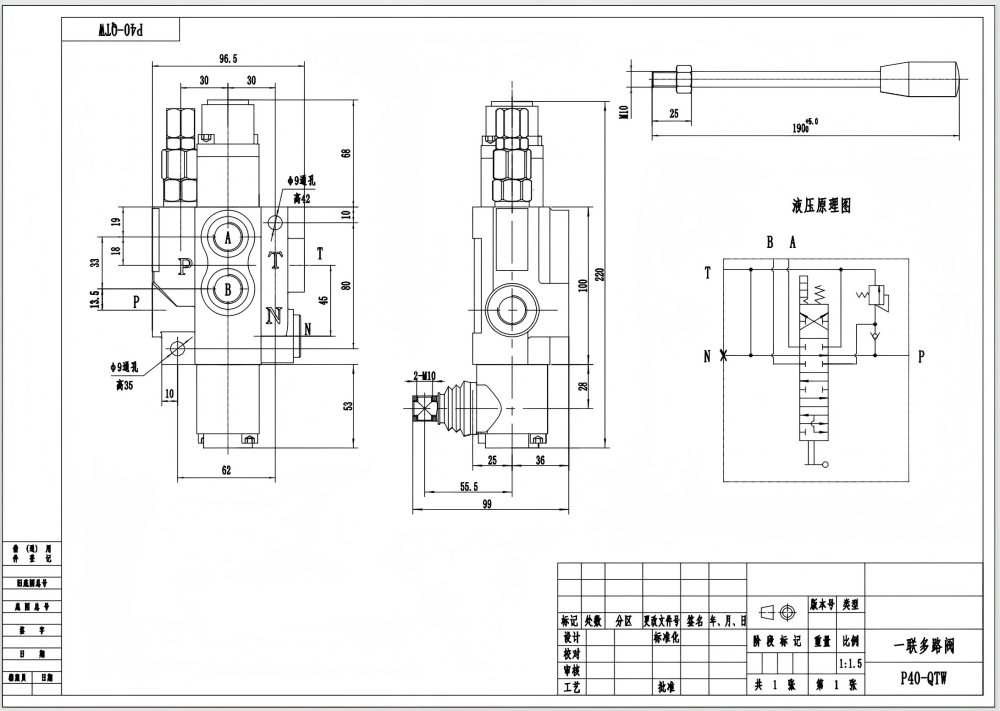
P40-G38-OT 手动1联整体式方向控制阀是一款高性能液压阀,专为物料搬运、建筑、农业和工业车辆等行业的各种应用设计。它具有紧凑的整体式设计、手动控制,额定流量为 40 升/分钟 (10.5 美制加仑/分钟),使其适用于广泛的液压系统。
| P40系列 单块式方向阀 Parameters | |
|---|---|
| 控制方式 | 手控, 气控, 电气控, 电液控, 电磁, 液控, 液压和手动, 软轴, 一控二手柄控制, 手控+一控二 |
| 路数 | 1路, 2路, 3路, 4路, 5路, 6路, 7路 |
| 额定流量 | 40 L/min (10.5 US gpm) |
| 最大压力 | 250 bar (3600 psi) |
| 进油口 | G3/8接口, G1/2接口, M18×1.5螺纹, M22×1.5螺纹, SAE 8接头, SAE 10接头, 3/8 NPT螺纹, 1/2 NPT螺纹 |
| 出油口 | G3/8接口, G1/2接口, M18×1.5螺纹, M22×1.5螺纹, SAE 8接头, SAE 10接头, 3/8 NPT螺纹, 1/2 NPT螺纹 |
| 接口尺寸 | G3/8接口, G1/2接口, M18×1.5螺纹, SAE 8接头, SAE 10接头, 3/8 NPT螺纹, 1/2 NPT螺纹 |
| 联数 | 1联, 2联, 3联, 4联, 5联, 6联, 7联 |
| 结构类型 | 整体阀 |
| 环境温度范围 | -40°C to +80°C (-40°F to +176°F) |
| 工作粘度范围 | 15 - 75 mm²/s (15 cSt to 75 cSt) |
**产品特点与优势:**
* 紧凑的整体式设计,节省安装空间
* 手动控制,操作精确可靠
* 流量容量为 40 升/分钟 (10.5 美制加仑/分钟),满足各种应用需求
* 坚固耐用的结构,确保使用寿命长和可靠性高
* 多功能设计,兼容广泛的液压系统
**应用领域:**
P40-G38-OT 手动1联整体式方向控制阀常用于液压系统中的各种应用,包括:
* 物料搬运设备,例如叉车、伸缩臂叉车和起重机
* 建筑机械,例如挖掘机、装载机和平地机
* 农业设备,例如拖拉机、收割机和打包机
* 工业车辆,例如扫地机、压实机和垃圾处理车



