极速交货
30天极速交货



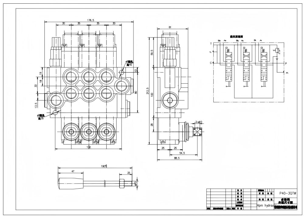
P40-G38-G12-OT手动三联整体式方向阀是一款专为严苛应用设计的高性能液压阀。其额定流量为40升/分钟(10.5美制加仑/分钟),最大压力为250巴(3600磅/平方英寸),可提供可靠高效的流量控制。整体式结构确保了耐用性并最大限度地减少泄漏,手动控制则可实现精确灵敏的操作。该阀适用于广泛的应用领域,包括物料搬运、工程机械、农业机械和工业车辆。
| P40系列 单块式方向阀 Parameters | |
|---|---|
| 控制方式 | 手控, 气控, 电气控, 电液控, 电磁, 液控, 液压和手动, 软轴, 一控二手柄控制, 手控+一控二 |
| 路数 | 1路, 2路, 3路, 4路, 5路, 6路, 7路 |
| 额定流量 | 40 L/min (10.5 US gpm) |
| 最大压力 | 250 bar (3600 psi) |
| 进油口 | G3/8接口, G1/2接口, M18×1.5螺纹, M22×1.5螺纹, SAE 8接头, SAE 10接头, 3/8 NPT螺纹, 1/2 NPT螺纹 |
| 出油口 | G3/8接口, G1/2接口, M18×1.5螺纹, M22×1.5螺纹, SAE 8接头, SAE 10接头, 3/8 NPT螺纹, 1/2 NPT螺纹 |
| 接口尺寸 | G3/8接口, G1/2接口, M18×1.5螺纹, SAE 8接头, SAE 10接头, 3/8 NPT螺纹, 1/2 NPT螺纹 |
| 联数 | 1联, 2联, 3联, 4联, 5联, 6联, 7联 |
| 结构类型 | 整体阀 |
| 环境温度范围 | -40°C to +80°C (-40°F to +176°F) |
| 工作粘度范围 | 15 - 75 mm²/s (15 cSt to 75 cSt) |
**产品特点与优势:**
* **流量能力:** 额定流量40升/分钟(10.5美制加仑/分钟),实现高效流体传输。
* **压力能力:** 最大压力250巴(3600磅/平方英寸),适用于严苛应用。
* **整体式结构:** 坚固耐用且防漏设计,确保可靠性能。
* **手动控制:** 精确灵敏的操作,实现最佳流量控制。
* **宽工作温度范围:** -40°C至+80°C(-40°F至+176°F),适用于各种环境。
**应用领域:**
* 物料搬运:叉车、伸缩臂叉装机、起重机、堆垛机
* 建筑和土方工程:挖掘机、装载机、平地机、自卸车
* 农业:拖拉机、收割机、打包机、喷雾机
* 工业车辆:扫地车、垃圾压实机、钩式装载机



