极速交货
30天极速交货



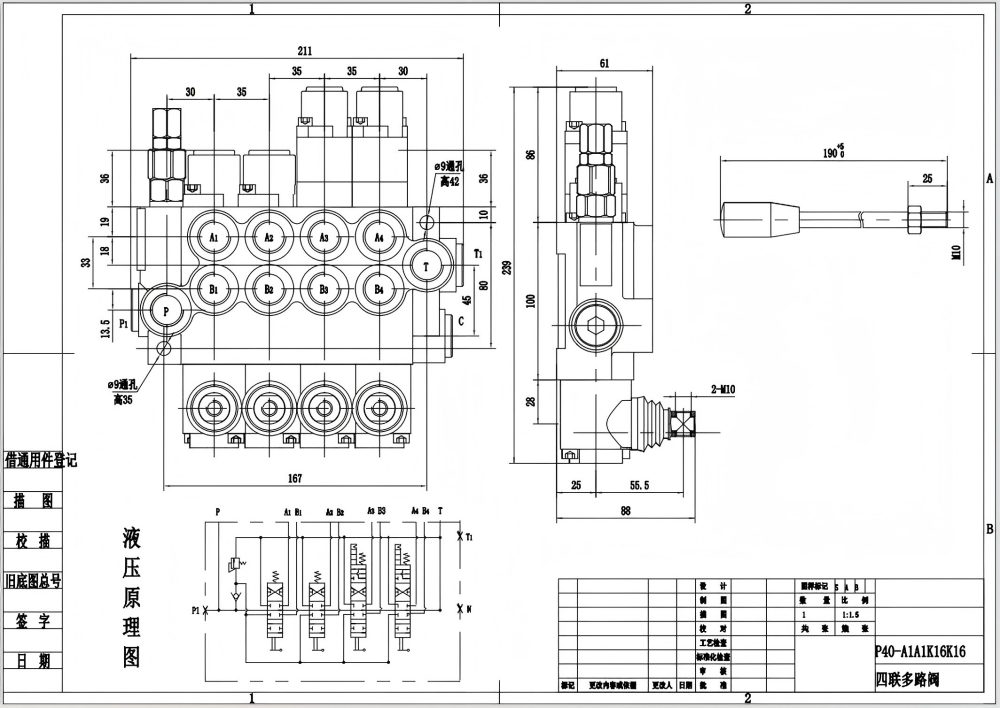
P40-G12-G38-2OT-2QTW 手动4联整体式方向控制阀是一款高性能液压阀,设计用于广泛的应用领域。额定流量为40 升/分钟,最大压力为250 巴,该阀非常适合需要精确控制和高可靠性的系统。
| P40系列 单块式方向阀 Parameters | |
|---|---|
| 控制方式 | 手控, 气控, 电气控, 电液控, 电磁, 液控, 液压和手动, 软轴, 一控二手柄控制, 手控+一控二 |
| 路数 | 1路, 2路, 3路, 4路, 5路, 6路, 7路 |
| 额定流量 | 40 L/min (10.5 US gpm) |
| 最大压力 | 250 bar (3600 psi) |
| 进油口 | G3/8接口, G1/2接口, M18×1.5螺纹, M22×1.5螺纹, SAE 8接头, SAE 10接头, 3/8 NPT螺纹, 1/2 NPT螺纹 |
| 出油口 | G3/8接口, G1/2接口, M18×1.5螺纹, M22×1.5螺纹, SAE 8接头, SAE 10接头, 3/8 NPT螺纹, 1/2 NPT螺纹 |
| 接口尺寸 | G3/8接口, G1/2接口, M18×1.5螺纹, SAE 8接头, SAE 10接头, 3/8 NPT螺纹, 1/2 NPT螺纹 |
| 联数 | 1联, 2联, 3联, 4联, 5联, 6联, 7联 |
| 结构类型 | 整体阀 |
| 环境温度范围 | -40°C to +80°C (-40°F to +176°F) |
| 工作粘度范围 | 15 - 75 mm²/s (15 cSt to 75 cSt) |
**产品特性与优势:**
* 手动控制,实现精确操作
* 4联设计,用途广泛
* 整体式结构,经久耐用,可靠性高
* 额定流量40 升/分钟,性能卓越
* 最大压力250 巴,适用于严苛应用
* 工作粘度范围15 - 75 mm²/s,兼容多种液压油
* 环境温度范围-40°C 至 +80°C,适用于极端环境
**应用领域:**
* 物料搬运设备
* 建筑和土方机械
* 农业机械
* 工业车辆



