极速交货
30天极速交货



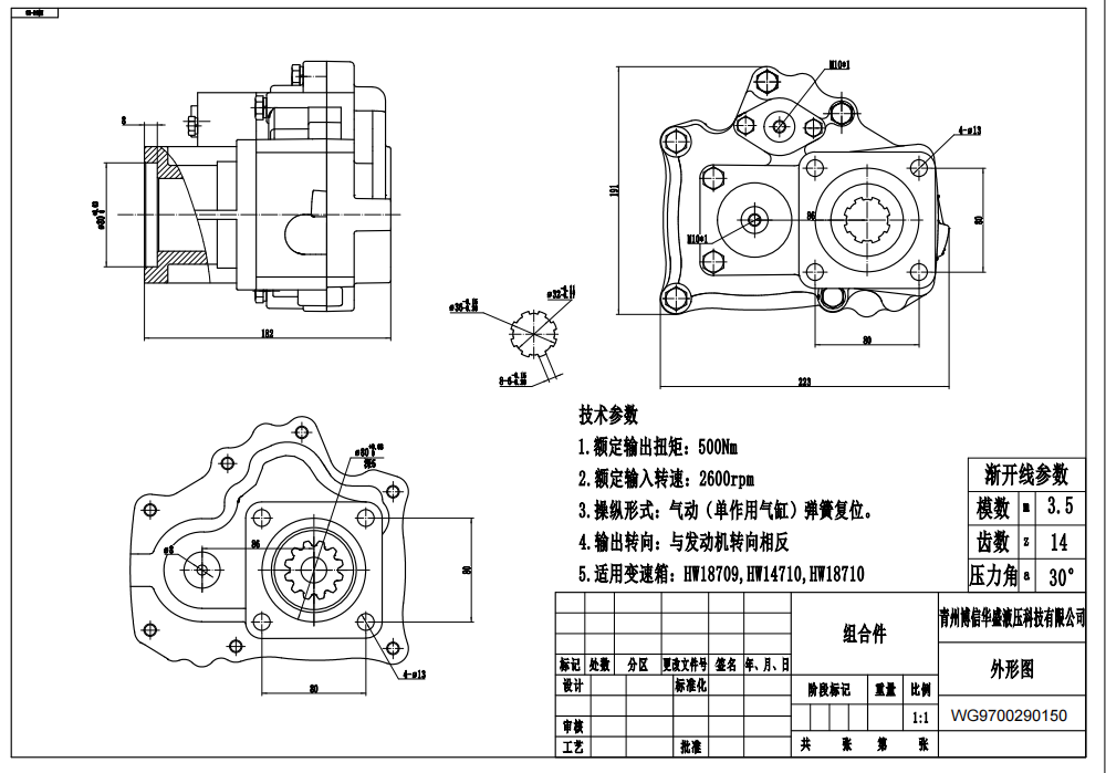
这款HW50-03 WG9700290150是一款坚固耐用的4螺栓取力器单元,专为严苛应用而设计,额定输出扭矩350牛米,速比为1.14。它采用气动(单作用气缸)弹簧复位操作以及压力润滑,确保可靠的性能,使其成为各种工业、建筑和农业机械的理想选择。
| PTO系列 取力器 Parameters | |
|---|---|
| 安装类型 | 8螺栓, 四螺栓 |
| 控制气压 | 8-12 bar |
| 输出转向 | 与发动机转向方向相反 |
| 操纵形式 | 气动(单作用气缸)弹簧复位 |
| 速比 | 1.14 |
| 额定输出扭矩 | 350 Nm |
| 润滑选项 | 压力润滑 |
| 安装选项 | 标准安装 |
产品特点与优势:
* 高扭矩输出:额定扭矩350牛米,该取力器适用于驱动需要大功率的液压泵及其他辅助设备。
* 气动控制:采用带弹簧复位的单作用气缸,实现精确、快速、可靠的接合与分离,在8-12巴气压下高效运行。
* 坚固安装:采用标准的4螺栓安装方式,确保与车辆变速箱的安全稳定连接,专为强劲性能而设计。
* 高效润滑:配备压力润滑系统,确保内部部件的最佳持续润滑,显著延长了设备的使用寿命并减少了维护需求。
* 优化速比:精选的1.14速比确保了动力从发动机到辅助驱动设备的有效高效传输。
* 多功能转向:输出转向方向与发动机转向方向相反,为系统设计以及与各种液压设置的集成提供了灵活性。
* 坚固构造:采用优质材料制造,专为在挑战性和严苛的工作环境中进行重型、连续运行而设计。
应用场景:
这款HW50-03取力器非常适用于各种移动和固定式液压系统,这些系统需要从车辆变速箱中可靠且可控地提取动力,覆盖多个不同领域:
* 建筑与土方工程:对于为起重机、挖掘机、轮式装载机、反铲装载机、平地机和混凝土臂架泵等重型机械中的液压泵供电至关重要。
* 工业车辆:实现各种工业车辆(包括自卸车、钩臂式装载车、垃圾压实车和扫路车)的关键辅助功能。
* 农业:广泛用于驱动现代农业机械(如拖拉机、收割机、打包机、喷雾器及其他农用工具)中的液压系统。
* 物料搬运:为伸缩臂叉车和叉车提供强劲动力,特别是那些配备专用液压附件以提升和搬运重物的设备。
* 专用设备:适用于林业拖车、钻机以及其他需要坚固、高效且可控动力源以执行特殊功能的重型移动设备。



