极速交货
30天极速交货



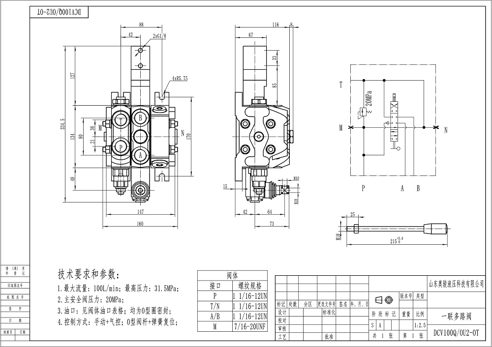
DCV100气动1联多路换向阀是一款高性能液压阀,专为各种工业应用而设计。该阀额定流量为100升/分钟,最大压力为350巴,提供出色的流量容量和压力处理能力。其紧凑的模块化设计使其适用于集成到各种液压系统中。
| DCV100系列 分块式方向阀 Parameters | |
|---|---|
| 控制方式 | 手控, 气控, 电气控, 电液控, 液控, 软轴, 一控二手柄控制, 手控+一控二 |
| 路数 | 1路, 2路, 3路, 4路, 5路, 6路, 7路, 8路, 9路, 10路, 11路, 12路 |
| 额定流量 | 100 L/min (26.5 US gpm) |
| 最大压力 | 350 bar (5100 psi) |
| 进油口 | G3/4接口, M22×1.5螺纹, M27×2.0螺纹, SAE 10接头, SAE 12接头, 3/4 NPT螺纹 |
| 出油口 | G3/4接口, M22×1.5螺纹, M27×2.0螺纹, SAE 10接头, SAE 12接头, 3/4 NPT螺纹 |
| 接口尺寸 | G3/4接口, M22×1.5螺纹, M27×2.0螺纹, SAE 10接头, SAE 12接头, 3/4 NPT螺纹 |
| 联数 | 1联, 2联, 3联, 4联, 5联, 6联, 7联, 8联, 9联, 10联, 11联, 12联 |
| 结构类型 | 分片阀 |
| 环境温度范围 | -40°C to +60°C (-40°F to +140°F) |
| 工作粘度范围 | 15 - 75 mm²/s (15 cSt to 75 cSt) |
**主要特点和优势:**
- 100升/分钟的高流量容量,实现高效系统运行
- 350巴的最大压力,适用于严苛应用
- 气动控制方式,实现精确灵敏的阀门驱动
- 片式阀设计,便于定制和模块化
- 15 - 75平方毫米/秒的宽工作粘度范围,兼容各种液压油
- 紧凑轻巧的设计,节省安装空间
**应用领域:**
DCV100气动1联多路换向阀适用于多种液压系统,包括:
- 物料搬运设备
- 建筑和土方机械
- 农业机械
- 工业车辆
**具体应用:**
- 伸缩臂叉车
- 叉车
- 全路面起重机
- 堆垛机
- 高空作业平台
- 平地机
- 挖掘机
- 滑移装载机
- 紧凑型轮式装载机



