极速交货
30天极速交货



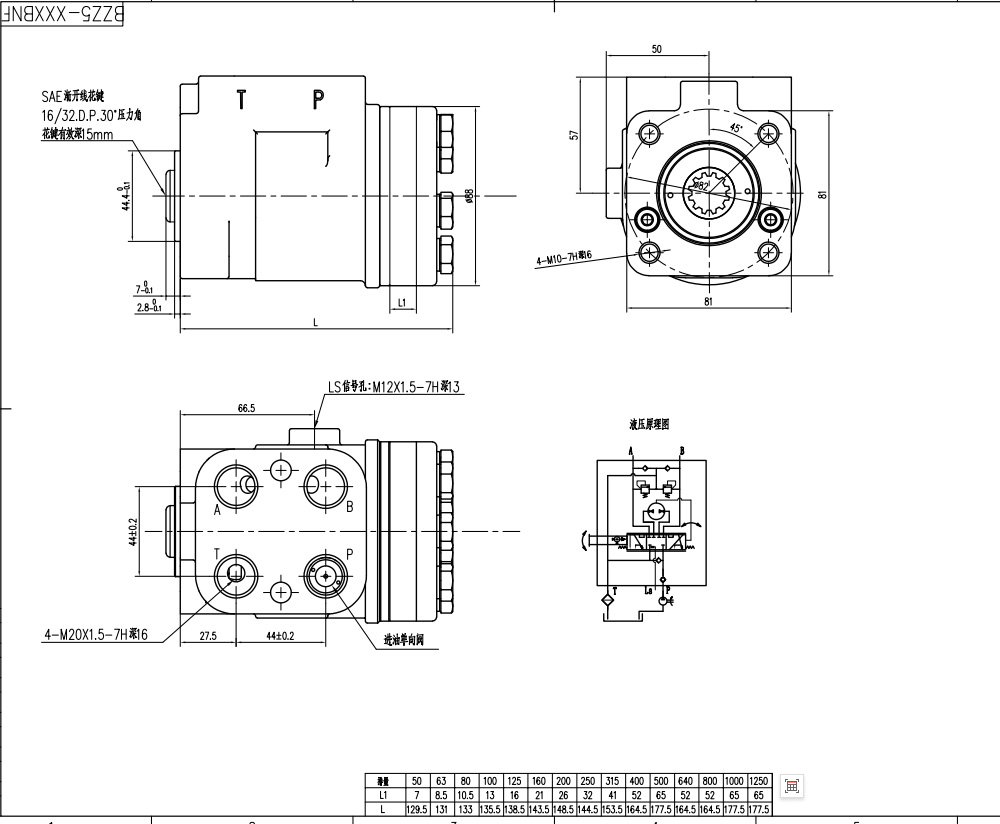
BZZ5-E100B 液压转向单元是一款坚固且可定制的解决方案,适用于物料搬运、建筑、农业和工业车辆等各种应用。凭借 100 毫升/转的排量和 16 兆帕的最大输入压力,它能在严苛环境下提供可靠的性能。我们提供制造、原始设备制造商 (OEM)、原始设计制造商 (ODM) 和批发服务。
| BZZ5系列 转向器 Parameters | |
|---|---|
| 排量 | 50 ml/r, 63 ml/r, 100 ml/r, 80 ml/r, 125 ml/r, 160 ml/r, 200 ml/r, 250 ml/r, 280 ml/r, 315 ml/r, 400 ml/r, 500 ml/r, 630 ml/r, 800 ml/r, 1000 ml/r |
| 阀块 | 可定制 |
| 材质 | 铸铁 |
| 额定流量 | 5 L/min, 6 L/min, 4 L/min, 7.5 L/min, 9.5 L/min, 12 L/min, 15 L/min, 19 L/min, 21 L/min, 24 L/min, 30 L/min, 38 L/min, 48 L/min, 60 L/min, 75 L/min |
| 最大持续背压 | 1.6 Mpa |
| 最大输入压力 | 16 Mpa |
BZZ5-E100B 转向单元拥有 100 毫升/转的排量和 16 兆帕的最大输入压力,确保强大而灵敏的转向控制。其额定流量为 7.5 升/分钟,提供高效运行。该单元由耐用的铸铁制成,能够承受恶劣条件。可定制的阀块允许进行量身定制的配置,以满足特定的应用要求。这使其适用于各种机械,包括叉车、伸缩臂叉装车、滑移装载机、紧凑型轮式装载机、拖拉机、迷你挖掘机、反铲装载机、收割机和打包机。我们提供完整的制造解决方案,包括原始设备制造商 (OEM)、原始设计制造商 (ODM) 和批发选项,为全球经销商、批发商和代理商提供灵活的合作关系。请联系我们,讨论您的具体需求并洽谈定制可能性,以优化您设备的性能。



