极速交货
30天极速交货



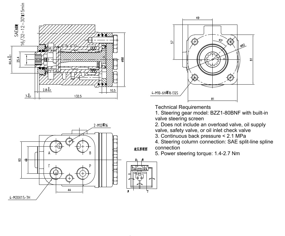
BZZ1-E80AS 液压转向器是一款坚固耐用且可定制的组件,专为物料搬运、建筑和工业车辆等广泛应用而设计。其排量为 80 毫升/转,最大输入压力为 16 兆帕,可提供可靠高效的转向控制。铸铁结构确保了耐用性,可定制的阀块允许根据特定要求提供量身定制的解决方案。
| BZZ1系列 转向器 Parameters | |
|---|---|
| 排量 | 50 ml/r, 63 ml/r, 100 ml/r, 80 ml/r, 125 ml/r, 160 ml/r, 200 ml/r, 250 ml/r, 280 ml/r, 315 ml/r, 400 ml/r, 500 ml/r, 630 ml/r, 800 ml/r, 1000 ml/r |
| 阀块 | 可定制 |
| 材质 | 铸铁 |
| 额定流量 | 5 L/min, 6 L/min, 4 L/min, 7.5 L/min, 9.5 L/min, 12 L/min, 15 L/min, 19 L/min, 21 L/min, 24 L/min, 30 L/min, 38 L/min, 48 L/min, 60 L/min, 75 L/min |
| 最大持续背压 | 2.5 Mpa |
| 最大输入压力 | 16 Mpa |
BZZ1-E80AS 转向器是一种高性能液压元件,采用耐用的铸铁制造,确保长期运行。其 80 毫升/转的排量和 16 兆帕的最大输入压力,即使在严苛条件下也能提供强大而灵敏的转向控制。该单元的最大连续背压为 2.5 兆帕,额定流量为 6 升/分钟,确保性能一致。一个关键优势是可定制的阀块,可根据各种应用的精确需求进行量身定制的配置。这种灵活性使其非常适合 OEM 和 ODM 项目,以及为不同行业提供定制解决方案。该单元广泛应用于各种机器类型,包括叉车、伸缩臂叉装机、滑移装载机、紧凑型轮式装载机、迷你和中型挖掘机以及反铲装载机。其坚固的设计和可靠的性能使其成为寻求高质量液压转向部件的制造商的经济高效解决方案。我们提供制造、OEM、ODM、定制和批发服务,并正在全球积极寻求分销商、批发商、代理商和贸易商。



