极速交货
30天极速交货



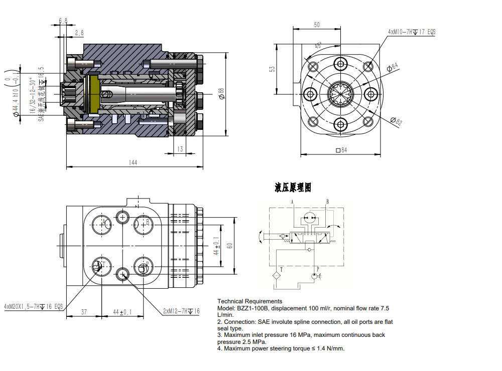
BZZ1-E100C转向单元是一款坚固耐用、可定制的液压元件,排量为100毫升/转,专为物料搬运、建筑、农业和工业车辆中的各种应用而设计。它具有16兆帕的最大输入压力和铸铁结构,经久耐用。我们提供全球范围内的制造、OEM、ODM和批发选项。
| BZZ1系列 转向器 Parameters | |
|---|---|
| 排量 | 50 ml/r, 63 ml/r, 100 ml/r, 80 ml/r, 125 ml/r, 160 ml/r, 200 ml/r, 250 ml/r, 280 ml/r, 315 ml/r, 400 ml/r, 500 ml/r, 630 ml/r, 800 ml/r, 1000 ml/r |
| 阀块 | 可定制 |
| 材质 | 铸铁 |
| 额定流量 | 5 L/min, 6 L/min, 4 L/min, 7.5 L/min, 9.5 L/min, 12 L/min, 15 L/min, 19 L/min, 21 L/min, 24 L/min, 30 L/min, 38 L/min, 48 L/min, 60 L/min, 75 L/min |
| 最大持续背压 | 2.5 Mpa |
| 最大输入压力 | 16 Mpa |
BZZ1-E100C是一款高性能液压转向单元,适用于广泛的应用。其主要特点包括:
* **高压能力:** 最大输入压力为16兆帕,可应对严苛的操作条件。
* **耐用结构:** 铸铁材料确保长期可靠性和耐磨损性。
* **可定制阀块:** 允许根据特定的应用要求进行定制配置,提高灵活性和效率。
* **高流量:** 额定流量为7.5升/分钟,提供灵敏和平稳的转向操作。
* **多功能应用:** 适用于各种设备类型,包括叉车、伸缩臂叉车、滑移装载机、紧凑型轮式装载机、迷你挖掘机、拖拉机、收割机和打包机。
* **全球覆盖:** 我们为全球经销商、代理商和分销商提供制造、OEM、ODM和批发服务。我们致力于提供高质量的产品和卓越的客户服务。请联系我们,讨论您的具体需求并探讨潜在的合作机会。



