极速交货
30天极速交货



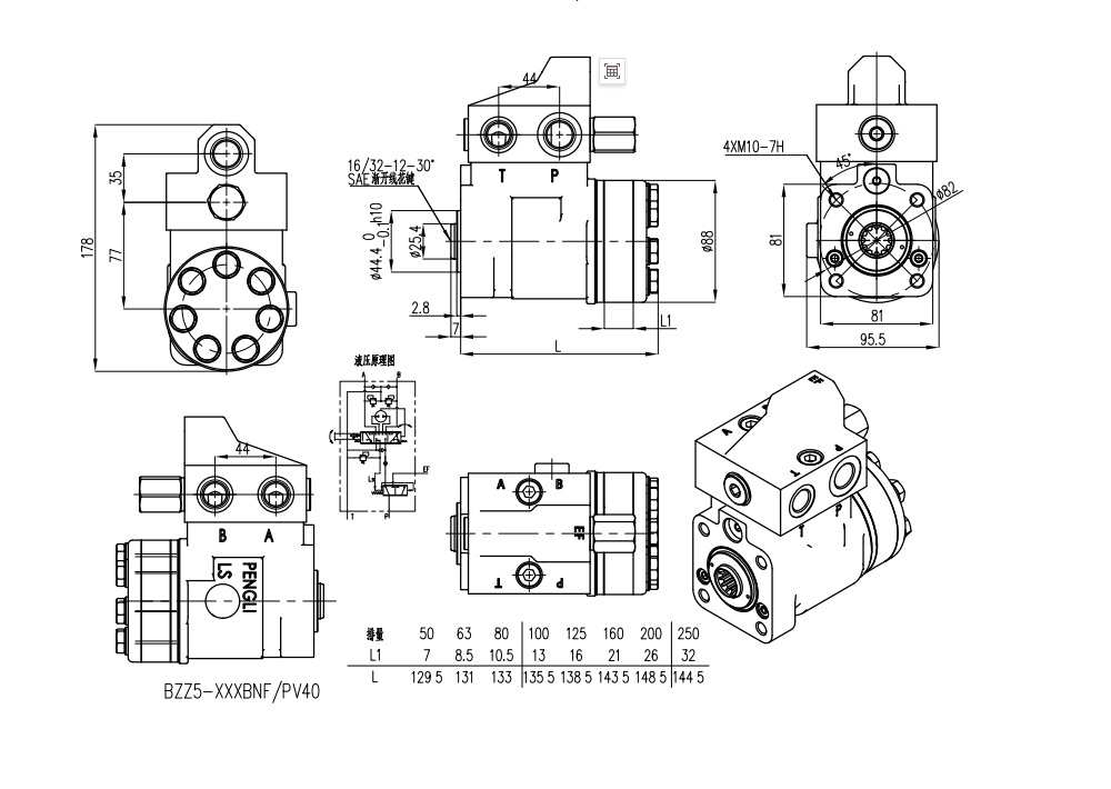
101S-5T-50-PV40 液压转向单元是一款坚固可靠的部件,专为各行各业的各种应用而设计。凭借50毫升/转的排量和17.5兆帕的最大输入压力,它提供了精确而强大的转向控制。其铸铁结构确保了耐用性,而可定制的阀块则允许提供量身定制的解决方案。
| 10系列 转向器 Parameters | |
|---|---|
| 排量 | 50 ml/r, 63 ml/r, 100 ml/r, 80 ml/r, 125 ml/r, 160 ml/r, 200 ml/r, 250 ml/r, 280 ml/r, 315 ml/r, 400 ml/r |
| 材质 | 铸铁 |
| 额定流量 | 5 L/min, 6 L/min, 8 L/min, 10 L/min, 12.5 L/min, 16 L/min, 20 L/min, 25 L/min, 28 L/min, 31.5 L/min, 40 L/min |
| 阀块 | 可定制 |
| 最大持续背压 | 2.5 Mpa |
| 最大输入压力 | 17.5 Mpa |
101S-5T-50-PV40 是一款高性能液压转向单元,非常适合各种移动设备。其主要特点包括:
* **高压能力:** 17.5 兆帕的最大输入压力,即使在重载下也能提供卓越的性能和响应能力。
* **耐用结构:** 采用铸铁制造,在严苛环境中具有卓越的强度和使用寿命。
* **可定制阀块:** 可灵活适应特定的机器要求和操作参数。
* **可靠性能:** 确保精确平稳的转向控制,实现最佳机动性。
* **多功能应用:** 适用于物料搬运、建筑、农业和工业车辆中的众多应用,包括叉车、滑移装载机、紧凑型轮式装载机、小型挖掘机、拖拉机和伸缩臂叉车。
* **经济高效的解决方案:** 以具有竞争力的价格提供坚固可靠的转向解决方案,使其成为 OEM 制造商和最终用户的理想选择。
* **全球供货:** 我们提供制造、OEM、自有品牌、定制和批发选项,具备全球分销能力。我们正在全球范围内积极寻求经销商、批发商、代理商和贸易合作伙伴。



